GKYWG-59LED磁敏双色光柱磁翻板液位计由磁性浮子传感器和LED显示屏两部分组成,利用浮力原理和磁耦合作用,通过LED显示屏的红绿变化来检测所测液位的高低。磁敏液位计在烟尘大含有微细铁屑的环境中具有可靠的使用性,显示部位采用高亮度LED双色发光管,白天观察距离60m,夜间可达200m以上,显示亮度高,可视距离远。液位计可以选装液位变送器、液位开关实现信号远传功能,已广泛应用于石油、化工、电力、冶金、食品、制造、造纸、水处理等行业的液位测量与过程控制中。
LED磁敏双色光柱磁翻板液位计(磁敏液位仪)分类:
经济型磁敏液位计
高精度型磁敏液位计
高压型磁敏液位计
(4-20MA信号)磁敏液位计
总线485型磁敏液位计
可选供电型磁敏液位计
双供电型磁敏液位计
二、LED磁敏双色光柱磁翻板液位计工作原理
磁敏液位计根据浮力原理和磁性耦合作用原理工作。磁性浮子根据介质的比重设计,使浮子内磁钢与容器内液面高度 致。当储罐内液位发生变化时,会使浮子随液位移动。浮子的移动将液位变化通过磁耦合原理传递到现场显示盒内高精度电子感应元件,触发相应的数字电路,使LED双色发光管转换颜色,无液全红,满液全绿,红绿交界处就是容器内的实际液位,从而达到指示储罐内液位的目的。加装限位开关实现液位报警和控制,加装变送器实现数字信号输出供显示与控制。
三、产品特点
○汽红液绿,显示清晰,观察角度大,可视距离远,在光线暗的场所中应用,夜间观察醒目
○设计简单紧凑;坚固可靠;使用寿命长;无维护工作量;能长年在户内;外安装使用;
○显示装置与容器内的介质不接触,无泄露
○可选装液位变送器活液位开关
○可用于有毒、腐蚀、易燃易爆等危险场所
○安全、美观、防护等 高
○测量稳定性高
四、安装形式
磁敏液位计有两种安装形式满足用户需求,包括:顶装式、侧装式。


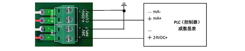
五、电气连接

六、主要技术参数
○测量范围: 0-6000mm范围内任意选择
超过6000mm时,连接段采用法兰连接;
○输出信号:4-20mA DC
○工作温度: -50--400℃;
○主导管、浮子材质: 304、PTFE/304外衬PTFE、铝、钛或按用户要求;
○连接法兰:DN15~DN50(HG20592-97法兰标准)
○法兰材质:碳钢、304、316L
○电源电压:DC24V,AC36V,AC220V;
○精确度:≥10mm;
○工作压力:-0.1~10 MPa;
○防护等 :IP67
○防爆形式:隔爆型Ex dⅡCT3~T6、本安型Ex iaⅡC T3~T6
磁敏液位计选型表
|
GKYWG-59 |
基本类型 |
|||||||
|---|---|---|---|---|---|---|---|---|
|
|
P |
普通型 |
||||||
|
T |
防腐型 |
|||||||
|
B |
防爆型(Bd为隔爆型、Bi为本安型) |
|||||||
|
|
代码 |
线制 |
||||||
|
0 |
二线制 |
|||||||
|
1 |
四线制 |
|||||||
|
|
代码 |
主体材质 |
||||||
|
0 |
304 |
|||||||
|
1 |
316 |
|||||||
|
2 |
316L |
|||||||
|
3 |
PVC/UPVC |
|||||||
|
4 |
316L+PTFE |
|||||||
|
5 |
316L+PE |
|||||||
|
6 |
其他 |
|||||||
|
|
代码 |
量程 |
||||||
|
S |
单位mm |
|||||||
|
|
代码 |
安装方式 |
||||||
|
LM |
顶装式 |
|||||||
|
FL |
侧装式 |
|||||||
|
|
代码 |
区域 |
||||||
|
A |
内销 |
|||||||
|
B |
外销 |
|||||||
|
|
代码 |
姓名 |
||||||
|
XXX |
缩写 |
|||||||
|
GKYWG-59 |
P |
0 |
0 |
10 |
FL |
A |
XL |
请完整填写 |
如上表实例:GKYWG-59/P0010FLAXL,P代表普通型, 个0代表二线制, 二个0代表304材质,1代表10m量程,FL代表法兰安装,7m代表罐高,A代表内销,XL代表徐亮的订单。
订货须知:为了方便用户选型,请按产品选型表正确填写内容,以便为您提供正确型号

