



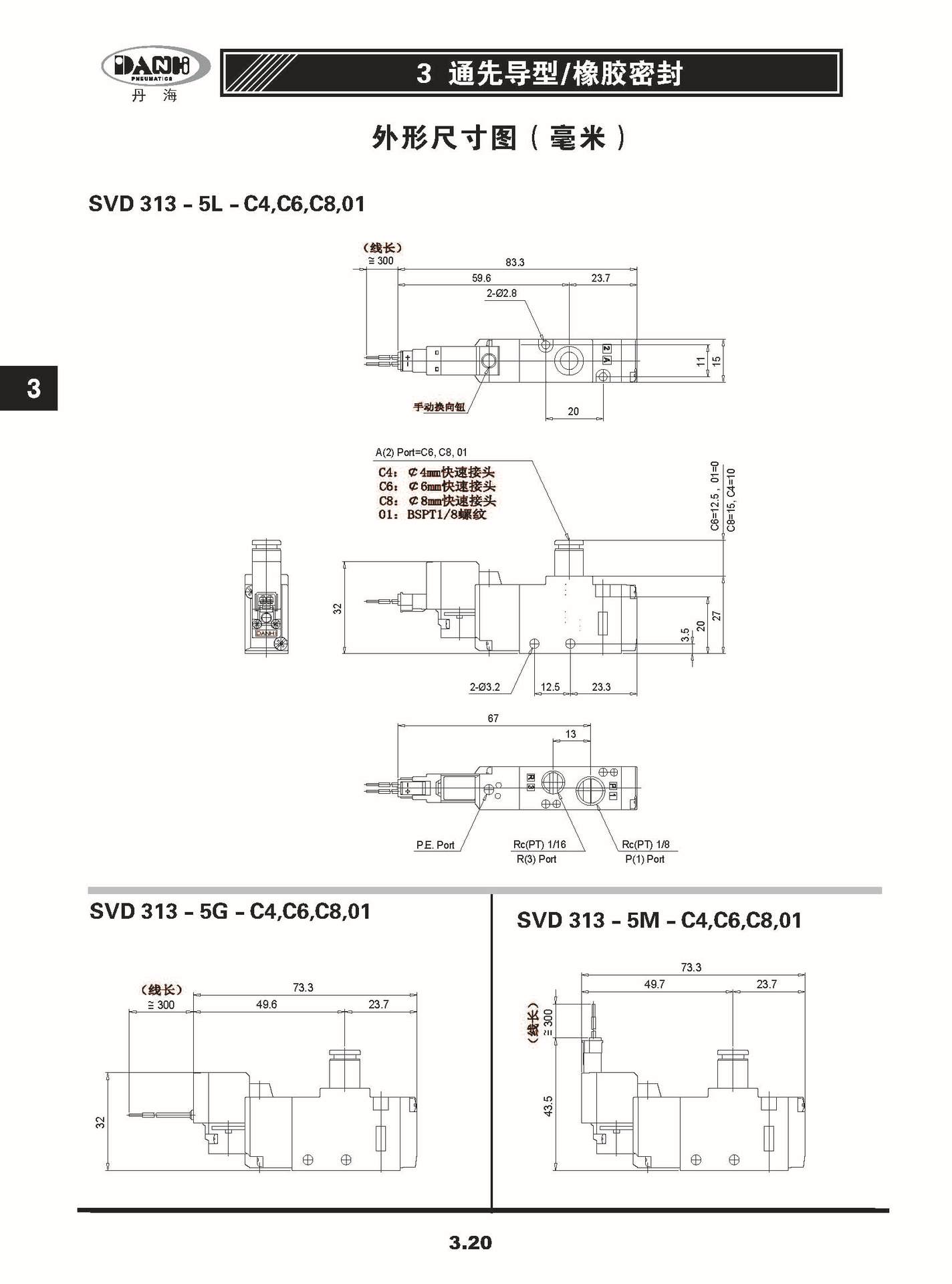
韩国DANHI丹海气动元件,SVD213,SVD313,SVD413,2位3通电磁阀,常开型电磁阀,常闭型电磁阀,两位三通电磁阀,三口二位电磁阀,3口2位电磁阀,*导式电磁阀,*导式3通电磁阀,*导式三通电磁阀,2位3通电磁阀,常开型电磁阀,常闭型电磁阀,两位三通电磁阀,三口二位电磁阀,3口2位电磁阀,*导式电磁阀,*导式3通电磁阀,*导式三通电磁阀,替换ypc电磁阀、PMC电磁阀、TPC电磁阀、KCC电磁阀、韩国三和、SANWO三和电磁阀、SANWO电磁阀、ARK电磁阀、韩国ARK换向电磁阀、韩国ARK换向阀、韩国ARK电磁阀、SMC电磁阀、YSC电磁阀等。


