NYP不锈钢保温泵输送易结晶物料时,在前盖和泵体上设计带有保温夹套,工作时通蒸汽,热水,热油保温融化。
不锈钢材质的NYP保温泵,可输送多种有腐蚀性的介质,使用温度可达200℃
NYP不锈钢保温泵的泵头部、泵壳体、密封腔部分均可以带保温夹套。根据实际需要选择需要保温的位置。
夹套与泵体铸造成 体,保温效果良好,能够避免焊接夹套产生的各种问题。
需加热时:通过热蒸汽、导热油等各种热媒通入夹套腔即可进行保温。
需冷却时:通过各种冷却液,可以保持泵体的恒温。
NYP不锈钢保温泵工作原理:
具有内齿的驱动齿轮(外转子)带动内转子在全封闭的泵体内作同方向转动,泵体和前盖的月牙板使吸入口和排出口隔开。转动时在吸入口形成负压,液体被吸入,转子将液体带到排出口,受压排出泵体,完成了液体的输送。
NYP不锈钢保温泵主要有内外转子,轴,泵体,前盖,托架,密封,轴承等组成。密封有机械密封和填料密封两种形式,对于高温、高粘稠度及腐蚀性较强的介质,选用填料密封。
输送易结晶物料时,在前盖和泵体上可设计带有保温夹套,工作时通蒸汽保温融化。
泵装置由泵、电机和底座组成。传动方式有桥式和直联式两种。从电机端向泵看,为顺时针旋转
NYP转子泵参数表
| 型号 |
流量 |
压力 Mpa |
吸入及排出管口径 | 必须汽蚀余量m | 效率 % |
减速方式 | ||||
|
m3/h |
I/min |
功率 KW |
转速 r/min |
减速机 | ||||||
| NYP3/1.0 | 2 | 33.3 | 1.0 | Rp11/2 | 5 | 45 | 3 | 587 | YCJ71 | |
|
NYP10/1.0 |
6 | 100 |
1.3 |
Rp2 |
45 | 7.5 | 228 | YCJ112 | ||
| 8 | 133.3 | 1.0 | Rp2 | 45 | 7.5 | 303 | YCJ100 | |||
| 10 | 166.7 | Rp2 | 51 | 7.5 | 357 | YCJ100 | ||||
| 12 | 200 | Rp2 | 54 | 7.5 | 475 | YCJ100 | ||||
|
NYP30/1.0 |
? 18 | 300 | ¢80 | 54 | 15 | 305 | YCJ112 | |||
| 22 | 366.7 | ¢80 | 58 | 15 | 359 | YCJ112 | ||||
| 28 | 466.7 | ¢80 | 65 | 15 | 479 | YCJ112 | ||||
| NYP50/1.0 | 50 | 833.3 | ¢150 | 52 | 37 | 128 | YCJ315 | |||
| 80 | 1333.3 | ¢150 | 58 | 45 | 208 | YCJ355 | ||||
| 100 | 1666.6 | ¢150 | 65 | 55 | 253 | YCJ355 | ||||
| NYP3/1.0 | 1.5 | 25 | Rp11/2 | 43 | 3 | 480 |
皮带轮传动 |
|||
| 2 | 33.3 | Rp11/2 | 43 | 3 | 640 | |||||
| NYP10/1.0 | 8 | 133.3 | Rp2 | 43 | 7.5 | 303 | ||||
| 10 | 166.7 | Rp2 | 49 | 7.5 | 357 | |||||
| 12 | 200 | Rp2 | 51 | 7.5 | 475 | |||||
| NYP3/1.0 | 3 | 50 | 1 | Rp11/2 | 55 | 3 | 960 |
Y132S-6 |
与电机直联 |
|
|
密封方式:用户需要 |
||||||||||
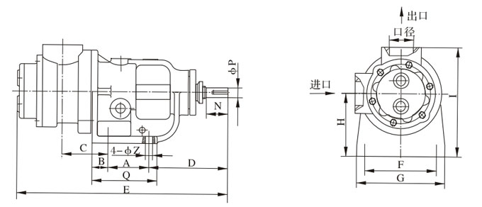
NYP高粘度内齿泵结构图


| 泵型号 | 理论排量 L/100r |
A | B | C | D | E | F | G | H | I | Q | N | P | Z | 口径 |
| NYP7.0A (原NYP3A) |
7.0 | 58 | 16 | 99 | 147 | 375 | 140 | 172 | 88 | 178 | 90 | 43 | 19 | 13 | G11/2" |
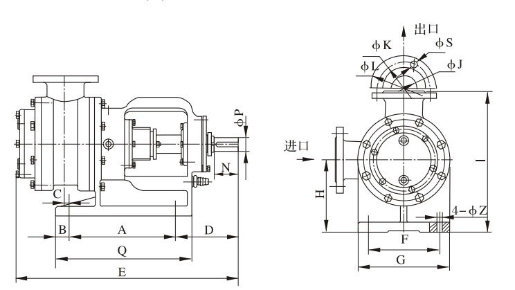
NYP24,NYP80,NYP111(A),NYP727泵头外形尺寸

| 型号 | 理论排量 L/100r |
A | B | C | D | E | F | G | H | I | J | K | L | N | P | Q | S | Z |
| NYP24 | 24 | 120 | 30 | 94 | 196 | 518 | 200 | 240 | 160 | 320 | 50 | 125 | 165 | 57 | 30 | 180 | 4-φ18 | 18 |
| NYP80 | 80 | 170 | 27.5 | 138.5 | 183.5 | 592 | 220 | 255 | 180 | 390 | 80 | 160 | 200 | 75 | 42 | 225 | 8-φ18 | 15 |
| NYP111 (原NYP30A) |
111 | 170 | 25 | 142 | 188 | 616 | 220 | 255 | 180 | 390 | 80 | 160 | 200 | 58 | 40 | 225 | 8-φ18 | 15 |
| NYP111 (原NYP30A) |
111 | 340 | 30 | 3 | 198 | 688 | 220 | 280 | 220 | 430 | 80 | 160 | 200 | 75 | 42 | 420 | 8-φ18 | 20 |
| NYP320 | 320 | 340 | 35 | 120.5 | 268 | 849 | 330 | 400 | 260 | 520 | 125 | 210 | 250 | 120 | 65 | 410 | 8-φ18 | 22 |
| NYP727 (原NYP50A) |
727 | 410 | 40 | 170 | 260 | 1060 | 370 | 450 | 360 | 680 | 150 | 240 | 285 | 120 | 80 | 530 | 8-φ18 | 22 |
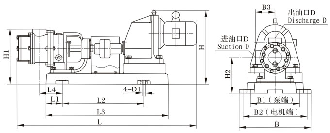
NYP不锈钢保温泵配减速电机整机安装尺寸图

| 型号 | L | L1 | L2 | L3 | L4 | H | H1 | H2 | B | B1 | B2 | B3 | D | D1 | Decelerator | ||
| 型号 | 功率KW | 转速r/min | |||||||||||||||
| NYP7.0 | 1028 | 91 | 384 | 590 | 115 | 327 | 253 | 163 | 270 | 225 | 225 | 90 | G11/2" | φ20 | YCJ71 | 3 | 583 |
| 455 | |||||||||||||||||
| NYP52 | 1361 | 67 | 576 | 790 | 130 | 480 | 355 | 225 | 400 | 308 | 340 | 130 | G2" | φ22 | YCJ112 | 7.5 | 228 |
| 1351 | 67 | 576 | 790 | 130 | 533 | 355 | 225 | 400 | 308 | 340 | 130 | G2" | φ22 | YCJ100 | 7.5 | 303 | |
| 357 | |||||||||||||||||
| 1436 | 67 | 576 | 790 | 130 | 533 | 355 | 225 | 400 | 308 | 340 | 130 | G2" | φ22 | YCJ100 | 11 | 475 | |
| NYP111 | 1500 | 154 | 558 | 890 | 227 | 585 | 495 | 285 | 525 | 385 | 475 | 210 | φ80 | φ22 | YCJ112 | 15 | 305 |
| 417 | |||||||||||||||||
| 479 | |||||||||||||||||
| NYP727 | 2423 | 200 | 950 | 1259 | 330 | 825 | 935 | 615 | 580 | 520 | 520 | 320 | φ150 | φ28 | YCJ315 | 37 | 128 |




沪公网安备31012002005808



