KCB不锈钢齿轮泵适用于输送不含固体颗粒和纤维,或有腐蚀性的高温液体, 温度不高于120℃,粘度为5~1500cst的润滑油或性质类似润滑油的其他液体。
KCB不锈钢齿轮泵在卫生条件要求较高的场合,如医药、食品行业:在有弱腐蚀性的场合,如精细化工、化妆品、印染、酿造行业。
结构特点:
KCB不锈钢齿轮油泵由齿轮、轴、泵体、安全阀、轴端密封等零部件组成,齿轮经热处理有较高的硬度和强度,与轴 同安装在可更换的轴套内运转。泵内全部零件的润滑均在泵工作时利用输送介质而自动达到。泵内有设计合理的泄油和回油槽,是齿轮在工作中承受的扭矩力 小,因此轴承负荷小,磨损小,泵效率高。泵设有安全阀作为超载保护。安全阀的全回流压力为泵额定派出压力的1.5倍,也可在允许排出压力范围内根据实际需要另行调整。但注意本安全阀不能作减压阀长期工作,需要是可在管路上另行安装。
KCB不锈钢齿轮泵选型小技巧
正确的选型是获得 佳使用效果的关健,为满足介质不同物理、化学特性和运行要求,我们建议:用户提出KCB不锈钢齿轮泵运行数据,由我公司专业人员选型推荐, 后由用户确认。选泵时应注意以下几点:
1、介质的润滑性,清洁度、腐蚀性。
2、介质的粘度,温度。
3、介质进、出口压力,安装高度。
4、使用场合的防爆要求。
5、安装环境,卧式或立式、固定或移动、连接管路的特殊要求。
Ⅰ、KCB不锈钢齿轮泵的润滑是靠本身排送的液体进行的,(电动机的润滑脂更换,视使用情况而定)。所以排送的液体必须清洁,若夹带有细小沙尘或金属粉末,对本泵的使用寿命有严重的影响,使用时注意此点。必要时在吸入管端装置金属滤油网,防止杂质吸入。滤油网以60-100目/时为宜,滤油网的有效过滤面积应大于吸油管截面积的两倍。
Ⅱ、泵的安装高度,应保证不超过泵所允许的吸上高度,安装管路应有管架、油泵不允许承受管路负荷。
Ⅲ、建议在吸、排油管路上分别安装真空表和压力表,以便监视泵的工作状态。
Ⅳ、油泵未开动前的准备:
①.在油泵未开动之前应对泵各部进行仔细检查。
A.检查油泵的各螺母及底座上各螺栓是否紧固。
B.检查油泵内的主动齿轮和被动齿轮的转动是否灵活。
②.把吸油接管和排油接管的阀门打开。
③.检查电动机的电源是否接对。油泵旋向是否与指示箭头方向相同,即面向轴承,顺钟向旋转。
Ⅴ、KCB不锈钢齿轮泵工作时的维护:
①.注意油泵压力表和真空表的读数应符合技术规范。
②.注意轴封的工作状态,倘若漏油,对填料密封结构的泵应将其压紧盖均匀拧紧,但不能过紧,以免发热和密封圈的迅速磨损,漏油时应及时更换油封。
③.定时检查油泵各部位发热情况。
④.当发现油泵有不正常的噪音或发热过高等故障时,应立即停止油泵工作,排除故障。
⑤.经常保持油泵工作场地清洁。
Ⅵ、油泵的停止:
①.切断电动机电源。
②.关闭吸油接管和排油接管的阀。
用户需何种型式的密封结构需在订货时注明。凡订货时未注明者均按丁晴胶骨架油封结构供货。
、进、出油口型式:
KCB18.3-83.3齿轮油泵进、出油口为与口径对应的带管螺紋口的腰形法兰;
KCB-200以上的不锈钢齿轮泵的法兰盘与泵体 于体;当用户需要配带法兰时,应在订货中注明。
泵与电机用弹性联轴器连接,并安装在公共底盘上。
KCB齿轮油泵性能参数表
| 型号 |
流量 Q | 转速 n r/min |
排出压力 p Mpa |
必需汽 蚀余量 r m |
效率 η % |
电动机 | ||
| m3/h | L/min | 功率KW |
型号 | |||||
| KCB-18.3 | 1.1 | 18.3 | 1400 | 1.45 | 5 | 44 | 1.5 | Y90L-4 |
| 2CY-1.1/1.45 | ||||||||
| KCB-33.3 | 2 | 33.3 | 1420 | 1.45 | 5 | 44 | 2.2 | Y100L1-4 |
| 2CY-2/1.45 | ||||||||
| KCB-55 | 3.3 | 55 | 1400 | 0.33 | 7 | 41 | 1.5 | Y90L-4 |
| 2CY-3.3/0.33 | ||||||||
| KCB-83.3 | 5 | 83.3 | 1420 | 0.33 | 7 | 43 | 2.2 | Y100L1-4 |
| 2CY-5/0.33 | ||||||||
| KCB-135 | 8 | 135 | 940 | 0.33 | 5 | 46 | 2.2 | Y112M-6 |
| 2CY-8/0.33 | ||||||||
| KCB-200 | 12 | 200 | 1440 | 0.33 | 5 | 46 | 4 | Y112M-4 |
| 2CY-12/0.33 | ||||||||
| KCB-300 | 18 | 300 | 960 | 0.36 | 5 | 42 | 5.5 | Y132M2-6 |
| 2CY-18/0.36 | ||||||||
| KCB-483.3 | 29 | 483.3 | 1440 | 0.36 | 5.5 | 42 | 11 | Y160M-4 |
| 2CY-29/0.36 | ||||||||
| KCB-633 | 38 | 633 | 970 | 0.28 | 6 | 43 | 11 | Y160L-6 |
| 2CY-38/0.28 | ||||||||
| KCB-960 | 58 | 960 | 1470 | 0.28 | 6.5 | 43 | 18.5 | Y180M-4 |
| 2CY-58/0.28 | ||||||||
| KCB-1200 | 72 | 1200 | 740 | 0.6 | 7 | 43 | 37 | Y280S-8 |
| KCB-1600 | 95 | 1600 | 980 | 45 | Y280S-6 | |||
| KCB-1800 | 112 | 1800 | 740 | 0.6 | 7.5 | 43 | 55 | Y315S-8 |
| KCB-2500 | 150 | 2500 | 985 | 75 | Y315S-6 | |||
| KCB-2850 | 170 | 2850 | 740 | 0.6 | 8 | 44 | 90 | Y315L1-8 |
| KCB-3800 | 230 | 3800 | 989 | 110 | Y315L1-6 | |||
| KCB-4100 | 245 | 4100 | 743 | 0.6 | 8 | 44 | 132 | Y355M1-8 |
| KCB-5400 | 325 | 5400 | 989 | 160 | Y355M1-6 | |||
| KCB-5600 | 330 | 5600 | 744 | 0.6 | 8 | 44 | 160 | Y355M2-8 |
| KCB-7600 | 460 | 7600 | 989 | 200 | Y355M3-6 | |||
| KCB-7000 | 420 | 7000 | 744 | 0.6 | 8 | 44 | 185 | Y355L1-8 |
| KCB-9600 | 570 | 9600 | 989 | 250 | Y355L2-6 | |||

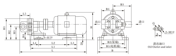
| 型号 | L | L1 | L2 | L3 | L4 | B | B1 | B2 | B3 | H | H1 | H2 | φD | G | 4-φd |
| KCB-18.3 | 217.5 | 35 | 80 | 115 | 16 | 192 | 150 | 120 | 66 | 136 | 90 | 69 | 20 | G3/4" | 16 |
| KCB-33.3 | 231 | 42.5 | 80 | 115 | 16 | 192 | 150 | 120 | 66 | 136 | 90 | 69 | 20 | G3/4" | 16 |
| KCB-55 | 246 | 50 | 80 | 115 | 16 | 192 | 150 | 120 | 66 | 136 | 90 | 69 | 20 | G1" | 16 |
| KCB-83.3 | 271 | 62 | 80 | 115 | 16 | 192 | 150 | 120 | 66 | 136 | 90 | 69 | 20 | G11/2" | 16 |
KCB-18.3~KCB-83.3外型、安装尺寸及重量

| 型号 | L | L1 | L2 | L3 | L4 | L5 | H | H1 | H2 | H3 | H4 | B | B1 | B2 | B3 | B4 | A | G | 重量 Weight(kg) |
| KCB-18.3 | 566 | 391 | 239 | 86 | 75 | 86 | 230 | 176 | 130 | 109 | 40 | 259 | 225 | 190 | 155 | 192 | 52 | G3/4" | 62.15 |
| KCB-33.3 | 618 | 416 | 256 | 86 | 82 | 93 | 285 | 186 | 140 | 119 | 50 | 279 | 245 | 190 | 180 | 192 | 52 | G3/4" | 66.8 |
| KCB-55 | 595 | 391 | 239 | 86 | 89.5 | 100.5 | 230 | 176 | 130 | 109 | 40 | 259 | 225 | 190 | 155 | 192 | 70 | G1" | 64.15 |
| KCB-83.3 | 652 | 416 | 256 | 94 | 102 | 113 | 285 | 186 | 140 | 119 | 50 | 279 | 245 | 190 | 180 | 192 | 78 | G11/2" | 70.15 |

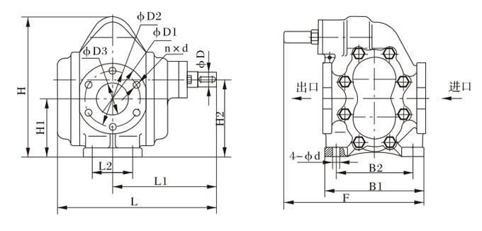
| 型号 | L | L1 | L2 | B1 | B2 | H | H1 | H2 | F | φD1 | φD2 | φD3 | n×d | φD | 4-φd |
| KCB-200 | 290 | 200 | 66 | 214 | 160 | 263.5 | 118 | 152.5 | 300 | 140 | 110 | 50 | 4-M12 | 28 | 13 |
| KCB-300 | 354 | 230 | 90 | 225 | 180 | 308 | 128 | 170 | 318 | 155 | 123 | 70 | 6-M14 | 32 | 16 |
| KCB-483.3 | 354 | 230 | 90 | 225 | 180 | 308 | 128 | 170 | 318 | 155 | 123 | 70 | 6-M14 | 32 | 16 |
| KCB-633 | 415 | 270 | 120 | 280 | 175 | 385 | 188 | 205 | 380 | 190 | 158 | 100 | 8-M14 | 38 | 18 |
| KCB-960 | 415 | 270 | 120 | 280 | 175 | 385 | 188 | 205 | 380 | 190 | 158 | 100 | 8-M14 | 38 | 18 |




沪公网安备31012002005808



