NYP不锈钢高粘度泵适用于输送无润滑性,低腐蚀性,卫生条件要求高不含有固体颗粒,纤维等物质的 般粘度和高粘度的流体。介质温度-20-200℃,粘度5-30000cst。
NYP不锈钢高粘度泵是采用美国威肯公司高粘度泵技术,在原有基础上进行工艺改进、设计而生产的针对于国内高粘度介质行业专门生产的高粘度泵,该高粘度泵可以广泛应用于各种无硬颗粒的高粘度、高稠度、易结晶的输送加压的工况;由于高粘度泵内部齿轮间隙可以在不拆泵的情况下、根据现场介质的粘度高低进行灵活调节,所以此高粘度泵还可以应用于各种低粘度介质的输送。NYP高粘度泵系列产品可以同时配有保温夹套装置,在使用时可以对粘度过高或容易结晶的介质采取用导热油或蒸汽进行保温,以达到良好的输送效果。同时可以选用各种耐腐蚀材质制造,以满足各种有腐蚀性场合的需求。 内环式高粘度泵专业用于输送高粘度、高浓度的聚合类介质及类似润滑性介质,高粘度泵设有保温夹套,也可用于输送常温下结晶或易凝固的高粘度介质,具有流量大,无脉动,效率高,寿命长等特点。
适用范围
用于机械、石油、化工、食品、医药、冶金、印染、酿造、化妆品、饮料等行业。
(1)工作原理具有内齿的驱动齿轮(外转子)带动内转子在全封闭的泵体内作同方向转动,泵体和前盖的月牙板使吸入和排出口隔开。转动时,在吸入口形成负压,液体被吸入,转子将液体带到排出口,受压排出泵体,完成了液体的输送。
(2)内环式高粘度泵主要有内外转子,轴,泵体,前盖,拖架,密封,轴承等组成。密封有机械密封和填料密封的两种形式,对于高温、高粘稠度及腐蚀性强的介质,选用填料密封。输送易结晶物料时,在前盖和泵体上可设计带有保温夹套,工作时通蒸汽保温融化。泵装置由泵,电机和底座组成。传动方式有桥式和直联式两种。从主轴外伸端向泵看,为顺时针旋转。
高粘度泵在开始运转前,往齿轮泵的壳体内灌满待输送的液体,便于安全启动。若环境温度低于冰点,应预 向泵内通入热蒸汽,进行预热处理,然后才可启动齿轮泵。高粘度泵的旋转方向要与进、出油口相符。齿轮泵若是 次运行,或长期闲置后再使用, 好在空载或小负荷情况下 跑合 小时左右。如果在跑合阶段预 觉察出异常温升、泄漏、振动和噪声时,应停机检查。
NYP系列不锈钢转子泵能参数表
| 型号 |
流量 |
压力 Mpa |
吸入及排出管口径 | 必须汽蚀余量m | 效率 % |
减速方式 | ||||
|
m3/h |
I/min |
功率 KW |
转速 r/min |
减速机 | ||||||
| NYP3/1.0 | 2 | 33.3 | 1.0 | Rp11/2 | 5 | 45 | 3 | 587 | YCJ71 | |
|
NYP10/1.0 |
6 | 100 |
1.3 |
Rp2 |
45 | 7.5 | 228 | YCJ112 | ||
| 8 | 133.3 | 1.0 | Rp2 | 45 | 7.5 | 303 | YCJ100 | |||
| 10 | 166.7 | Rp2 | 51 | 7.5 | 357 | YCJ100 | ||||
| 12 | 200 | Rp2 | 54 | 7.5 | 475 | YCJ100 | ||||
|
NYP30/1.0 |
18 | 300 | ¢80 | 54 | 15 | 305 | YCJ112 | |||
| 22 | 366.7 | ¢80 | 58 | 15 | 359 | YCJ112 | ||||
| 28 | 466.7 | ¢80 | 65 | 15 | 479 | YCJ112 | ||||
| NYP50/1.0 | 50 | 833.3 | ¢150 | 52 | 37 | 128 | YCJ315 | |||
| 80 | 1333.3 | ¢150 | 58 | 45 | 208 | YCJ355 | ||||
| 100 | 1666.6 | ¢150 | 65 | 55 | 253 | YCJ355 | ||||
| NYP3/1.0 | 1.5 | 25 | Rp11/2 | 43 | 3 | 480 |
皮带轮传动 |
|||
| 2 | 33.3 | Rp11/2 | 43 | 3 | 640 | |||||
| NYP10/1.0 | 8 | 133.3 | Rp2 | 43 | 7.5 | 303 | ||||
| 10 | 166.7 | Rp2 | 49 | 7.5 | 357 | |||||
| 12 | 200 | Rp2 | 51 | 7.5 | 475 | |||||
| NYP3/1.0 | 3 | 50 | 1 | Rp11/2 | 55 | 3 | 960 |
Y132S-6 |
与电机直联 |
|
|
密封方式为机械密封 |
||||||||||
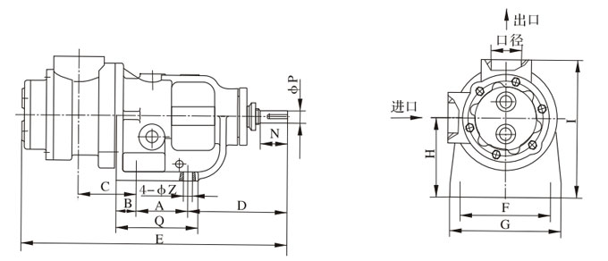
NYP高粘度内齿泵结构图


| 泵型号 | 理论排量 L/100r |
A | B | C | D | E | F | G | H | I | Q | N | P | Z | 口径 |
| NYP7.0A (原NYP3A) |
7.0 | 58 | 16 | 99 | 147 | 375 | 140 | 172 | 88 | 178 | 90 | 43 | 19 | 13 | G11/2" |
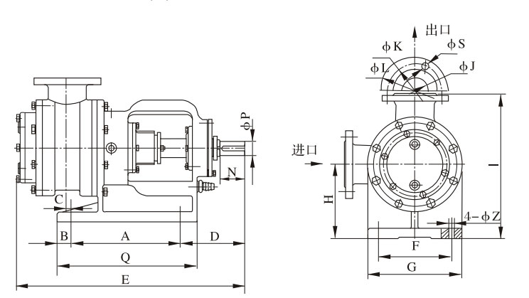
NYP24,NYP80,NYP111(A),NYP727泵头外形尺寸

| 型号 | 理论排量 L/100r |
A | B | C | D | E | F | G | H | I | J | K | L | N | P | Q | S | Z |
| NYP24 | 24 | 120 | 30 | 94 | 196 | 518 | 200 | 240 | 160 | 320 | 50 | 125 | 165 | 57 | 30 | 180 | 4-φ18 | 18 |
| NYP80 | 80 | 170 | 27.5 | 138.5 | 183.5 | 592 | 220 | 255 | 180 | 390 | 80 | 160 | 200 | 75 | 42 | 225 | 8-φ18 | 15 |
| NYP111 (原NYP30A) |
111 | 170 | 25 | 142 | 188 | 616 | 220 | 255 | 180 | 390 | 80 | 160 | 200 | 58 | 40 | 225 | 8-φ18 | 15 |
| NYP111 (原NYP30A) |
111 | 340 | 30 | 3 | 198 | 688 | 220 | 280 | 220 | 430 | 80 | 160 | 200 | 75 | 42 | 420 | 8-φ18 | 20 |
| NYP320 | 320 | 340 | 35 | 120.5 | 268 | 849 | 330 | 400 | 260 | 520 | 125 | 210 | 250 | 120 | 65 | 410 | 8-φ18 | 22 |
| NYP727 (原NYP50A) |
727 | 410 | 40 | 170 | 260 | 1060 | 370 | 450 | 360 | 680 | 150 | 240 | 285 | 120 | 80 | 530 | 8-φ18 | 22 |
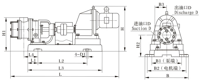
NYP不锈钢保温泵配减速电机整机安装尺寸图

| 型号 | L | L1 | L2 | L3 | L4 | H | H1 | H2 | B | B1 | B2 | B3 | D | D1 | Decelerator | ||
| 型号 | 功率KW | 转速r/min | |||||||||||||||
| NYP7.0 | 1028 | 91 | 384 | 590 | 115 | 327 | 253 | 163 | 270 | 225 | 225 | 90 | G11/2" | φ20 | YCJ71 | 3 | 583 |
| 455 | |||||||||||||||||
| NYP52 | 1361 | 67 | 576 | 790 | 130 | 480 | 355 | 225 | 400 | 308 | 340 | 130 | G2" | φ22 | YCJ112 | 7.5 | 228 |
| 1351 | 67 | 576 | 790 | 130 | 533 | 355 | 225 | 400 | 308 | 340 | 130 | G2" | φ22 | YCJ100 | 7.5 | 303 | |
| 357 | |||||||||||||||||
| 1436 | 67 | 576 | 790 | 130 | 533 | 355 | 225 | 400 | 308 | 340 | 130 | G2" | φ22 | YCJ100 | 11 | 475 | |
| NYP111 | 1500 | 154 | 558 | 890 | 227 | 585 | 495 | 285 | 525 | 385 | 475 | 210 | φ80 | φ22 | YCJ112 | 15 | 305 |
| 417 | |||||||||||||||||
| 479 | |||||||||||||||||
| NYP727 | 2423 | 200 | 950 | 1259 | 330 | 825 | 935 | 615 | 580 | 520 | 520 | 320 | φ150 | φ28 | YCJ315 | 37 | 128 |




沪公网安备31012002005808



