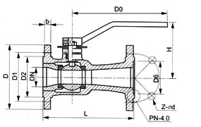
、PQ41F型排污球阀图片说明:
二、PQ41F型排污球阀性能规范:
| 型号 |
| 公称压力 (Mpa) |
试验压力(Mpa) | 工作温度 (℃) |
适用介质 | |||
| 强度(水) | 密封(水) | 气密封 | ||||
| QP41M-1.6 |
1.6 | 2.4 | 1.8 | 0.6 | ≤250 |
蒸气、气
水、油品、煤气、天 然气、氨 碱、醋酸 铜、氨液 |
| QP41M-2.5 | 2.5 | 4.0 | 4.42.8 | ≤300 | ||
三、PQ41F型排污球阀主要零件材质:




沪公网安备31012002005808



